GN 2410
			Teleskopowe prowadnice liniowe
		
	Z pełnym wysuwem, prowadnice połączone wózkami
Z pełnym wysuwem, prowadnice połączone wózkami
Szyna / wózek
Stal ulepszona cieplnie
- Powierzchnia ocynkowana, pasywacja niebieska
 
- bieżnie hartowane
 
Kulki
Stal łożyskowa, hartowana
Koszyk
Stal ocynkowana
Łączniki wózków
Śruby, stal ocynkowana
Teleskopowa prowadnica liniowa GN 2410 składa się z dwóch prowadnic liniowych połączonych ze sobą wózkami. Są one stosowane w aplikacjach automatyzacji procesów podnoszenia lub wysuwania elementów, tam gdzie są wymagane większe przemieszczenia oraz mała przestrzeń zabudowy, uwzględniając przede wszystkim niską wysokość szyny.
Podwójny układ prowadnic ma tę zaletę, że zarówno obciążenia osiowe jak i promieniowe są identyczne. Dodatkowo konstrukcja zapewnia większą ochronę całego układu łożysk przed zabrudzeniami.
Długości szyn i wózków są identyczne. Oba wózki mogą zostać wysunięte poza szyny powodując, że ich sumaryczny skok będzie większy od długości bazowej szyny l1.
Ograniczniki zostały zaprojektowane, aby zapobiec całkowitemu wysunięciu wózka z szyny. W razie ich braku inne elementy konstrukcji powinny ograniczać zakres jej wysuwu.
- Inne długości (będące wielokrotnością 80 mm)
 
- specjalne wymiary (otwory, punkt startowy i końcowy)
 
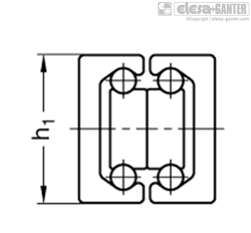
Konstrukcja
Wszystkie prowadnice liniowe składają się z szyny i poruszającego się wewnątrz niej wózka. Kulki łożyskowe umieszczone w koszyku pomiędzy szyną a wózkiem tworzą system łożyskowania tocznego, zapewniający też odpowiednie wzajemne pozycjonowanie obu elementów. Zarówno szyna, jak i wózek są wykonane ze stali ulepszanej cieplnie, co pozwala na ich stosowanie w środowiskach przemysłowych z wyższymi wymaganiami w odniesieniu do nośności, cichobieżności i okresu użytkowania.
Wszystkie prowadnice dostępne są w kilku nominalnych wymiarach szerokości szyn h1 = 28, 35 i 43 mm i mogą być również dostarczane w niestandardowych długościach od 130 mm do 1970 mm, odpowiednio do indywidualnych potrzeb.
Prowadnice liniowe są standardowo wyregulowane w taki sposób, aby zapewnić bezluzową współpracę szyny z wózkiem (wstępnie naprężone). Bieżnie szyn i wózków są hartowane indukcyjnie, co w połączeniu z łożyskami tocznymi skutkuje niższym zużyciem i dłuższą żywotnością układu. Prowadnice liniowe są stale smarowane wysokiej jakości smarem, przeznaczonym do systemów prowadnic liniowych.
W zależności od potrzeb dostępnych jest kilka różnych typów prowadnic. Zakresy przesuwu wózka mogą zawierać się całkowicie wewnątrz, częściowo na zewnątrz, bądź całkowicie na zewnątrz szyny. W pełni wysuwane teleskopowe prowadnice liniowe składają się z prowadnic liniowych połączonych ze sobą szynami, wózkami lub za pomocą profilu pośredniego.
Do mocowania prowadnic służą otwory z gniazdami pod śruby z łbem stożkowym w szynach oraz w zależności od typu konstrukcji, otwory gwintowane lub z gniazdami pod śruby z łbem stożkowym w wózkach. Kompaktowa konstrukcja sprawdza się w aplikacjach, gdzie przestrzeń jest ograniczona.
 Wykonania
Teleskopowe prowadnice liniowe z pełnym wysuwem, prowadnice połączone wózkami
 
 Przykład montażu
 Obciążalność teleskopowych prowadnic liniowych
w kolejności rosnącej standardowych oznaczeń
Przy wyborze odpowiedniej prowadnicy liniowej należy wziąć pod uwagę przede wszystkim dostępną przestrzeń, wymagany skok (wysuw) oraz obciążenia, jakie przenosić będzie dany układ. Podane wartosci obciążeń stanowią wytyczne dla wyboru najodpowiedniejszego rozmiaru prowadnicy.
Podane wartości nośności są niewiążące i nie stanowią żadnego rodzaju gwarancji działania produktu lub gwarancji jego przeznaczenia. W każdym indywidualnym przypadku użytkownik musi określić, czy dany produkt jest odpowiedni dla określonego zastosowania. Czynniki środowiskowe i starzenia mogą mieć wpływ na określone wartości.
 | Oznaczenie | Obciążenia liniowe | 
| - | Co rad w N | 
| GN 2410-28-210 | 444 | 
| GN 2410-28-370 | 496 | 
| GN 2410-28-450 | 405 | 
| GN 2410-28-530 | 342 | 
| GN 2410-35-370 | 534 | 
| GN 2410-35-450 | 439 | 
| GN 2410-35-530 | 403 | 
| GN 2410-35-610 | 346 | 
| GN 2410-43-450 | 1370 | 
| GN 2410-43-610 | 1115 | 
| GN 2410-43-770 | 870 | 
| GN 2410-43-930 | 714 | 
Dla teleskopowych prowadnic liniowych nie zostały wyszczególnione dane dotyczące dopuszczalnych momentów skręcających. Wynika to z faktu, że są one zwykle stosowane w parach. Obciążenia w tych kierunkach występują w mniejszym stopniu, ponieważ można założyć, że otaczająca konstrukcja ma dostateczną sztywność i wytrzymałość. Przenoszenie niewielkich momentów skręcających jest dozwolone.
Obciążenia statyczne a ugięcie
Podane w tabelach wartości obciążeń odnoszą się do maksymalnej dopuszczalnej siły, działającej na środku trzeciego segmentu w pełni wysuniętej prowadnicy.
Przy wystąpieniu podanych wartości i w pełni wysuniętej szynie / wózku, na końcu układu może wystąpić pewne odkształcenie (zwis). Zwykle nie ma on jednak wpływu na prawidłowe działanie prowadnicy. Możliwe jest podanie orientacyjnych wartości takich odkształceń na życzenie klienta.
Śruby mocujące, przeznaczenie otworów mocujących
Standardowymi elementami montażowymi dla prowadnic liniowych są śruby z łbem stożkowym wg DIN 7991 (klasa śrub 10.9), mocowane z podanym momentem siły dokręcania. W zależności od rodzaju aplikacji nie wszystkie otwory mocujące muszą być wykorzystane. W szczególnych przypadkach, zwłaszcza w układach o podwójnym wysuwie, otwory montażowe mogą być dostępne po wykręceniu ogranicznika wysuwu i wyjęciu wózka. Po zamontowaniu śrub, ograniczniki należy ponownie wkręcić na ich miejsce.
Prędkość przesuwu, poślizg koszyka łożyskowego
Prędkość przesuwu dla prowadnic liniowych może wynosić aż 0,8 m/s. Sposób zastosowania oraz zakres ruchu mogą mieć wpływ na tę wartość. W przypadku szybkich zmian kierunku i dużych przyspieszeń, może wystąpić poślizg koszyka łożyskowego (szczególnie przy długich koszykach). W takich przypadkach, koszyk nie porusza się synchronicznie, tj. z połową prędkości wózka, gdyż stopniowo traci swoją właściwą pozycję ze względu na poślizg. Jeśli to możliwe, wózkowi powinien zostać zapewniony powrót do końca zakresu jego skoku, co spowoduje powrót koszyka do właściwej pozycji.
 Twoje zapytanie zostało przesłane i odpowiemy na nie w najkrótszym możliwym czasie.