GN 7404-AL
GN 7404
Korek oddechowy
78711-R,20
78710-R,10
78712-R,50
lubGN 300-30-B5-SW;60
GN 612-5-M12x1,5-A;40
DIN 172-B10,5-20-A;50
ISO 8675-M8x1-04-BT;10
78711-R,20
78710-R,10
78712-R,50
lubGN 300-30-B5-SW;60
GN 612-5-M12x1,5-A;40
DIN 172-B10,5-20-A;50
ISO 8675-M8x1-04-BT;10
Korpus
Membrana
Włóknina poliamidowa, nietkana/kopolimer akrylowy
Obejma membrany
Technopolimer na bazie poliamidu (PA)
Sito ochronne
Stal nierdzewna AISI 304
Uszczelka / O-Ring
Guma syntetyczna NBR (perbunan®)
Korki oddechowe GN 7404 dwustronnego działania są często brane pod uwagę przy konstruowaniu obudowy urządzenia. Po zainstalowaniu w ścianie obudowy, wyrównują ciśnienie między wnętrzem obudowy, a otoczeniem.
Brud, kurz, olej lub woda, znajdujące się w powietrzu nie przedostaną się przez membranę, która zapobiega dostawaniu się brudu i wilgoci do wnętrza obudowy oraz wydostawaniu się oleju do otoczenia.
W celu ochrony membrany, zaleca się nie zanurzać jej w oleju lub wodzie oraz należy nie przekraczać dopuszczalnej różnicy ciśnień. Membrany powinny być mocowane na chronionej, bocznej pionowej części obudowy urzadzenia.
Zewnętrzna średnica obudowy z pomniejszonym chwytem sześciokątnym jest dopasowana do otworów z gwintem wg DIN 3852.
Pierścień uszczelniający jest osadzony w specjalnym rowku, co całkowicie go unieruchamia i chroni przed uszkodzeniem podczas wkręcania korka.
Instrukcja montażu: W przypadku mocowania na ściankach o grubości poniżej 4 mm należy używać nakrętek montażowych GN 7430.
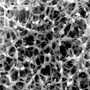
Membrany składają się z włókniny poliamidowej jako materiału nośnego o całkowicie nieuporządkowanej strukturze. Poprzez impregnację kopolimerem akrylowym, który całkowicie zwilża włókniny, ale nie wypełnia szczelin, powstają małe pory membrany.
Parametry materiałowe i procesowe wpływają na wielkość porów podczas produkcji, które mają wielkość od 0,2 do 10 μm. Jakość membrany sprawdza się za pomocą pomiarów porometru. Testy laboratoryjne oceniają rozkład, wielkość porów oraz przepuszczalność powietrza. Zdjęcie mikroskopowe ilustruje przekrój przez membranę.
Dla porównania: minimalny rozmiar oczka filtra wyprodukowanego przy użyciu ekonomicznych metod wynosi 50 μm.
Zdjęcie membrany pod mikroskopem, powiększenie 2000x
Materiał membrany jest odporny na olej i wodę, struktura powierzchni membrany sprawia, że krople wody lub oleju nie mogą zamoczyć jej powierzchni. Pełne wykorzystanie tych możliwości zapewnia montaż elementu na ścianie bocznej.
Jeżeli wystąpią szczególne warunki np. różnica ciśnień, nieznaczne ilości oleju lub wody mogą przedostać się pomiędzy membraną, a uszczelnieniem. Gdy niesprzyjające warunki ustaną, olej lub woda skroplą się, a membrana będzie w pełni funkcjonalna.
Membrana pracuje do różnicy ciśnień wynoszącej 1 bar. Jej przepuszczalnosć liniowo zależy od różnicy ciśnień. Maksymalna przepuszczalność powietrza, maksymalna różnica ciśnień oraz ciśnienie nominalne i rozrywajace są podane w karcie katalogowej.
Termiczna - korków nie wolno używać w temperaturach przekraczających 100°C, natomiast sama membrana wytrzymuje temperatury do 150°C.
Chemiczna - membrany są odporne na szeroki zakres substancji chemicznych często stosowanych w inżynierii mechanicznej i samochodowej, np. oleje, paliwa, organiczne rozpuszczalniki i alkohole. Jeżeli są jakiekolwiek wątpliwości przed zastosowaniem, należy przeprowadzić testy tolerancji.
Twoje zapytanie zostało przesłane i odpowiemy na nie w najkrótszym możliwym czasie.