GN 707.4-AL
GN 707.4
Pierścienie osadcze dwuczęściowe
78711-R,20
78710-R,10
78712-R,50
lubGN 300-30-B5-SW;60
GN 612-5-M12x1,5-A;40
DIN 172-B10,5-20-A;50
ISO 8675-M8x1-04-BT;10
78711-R,20
78710-R,10
78712-R,50
lubGN 300-30-B5-SW;60
GN 612-5-M12x1,5-A;40
DIN 172-B10,5-20-A;50
ISO 8675-M8x1-04-BT;10
Pierścień osadczy
Śruba z łbem walcowym ISO 4762
Stal nierdzewna AISI 304
Zabezpieczenie gwintu
Cząstkowa powłoka z poliamidu (PFB)
Kolor niebieski
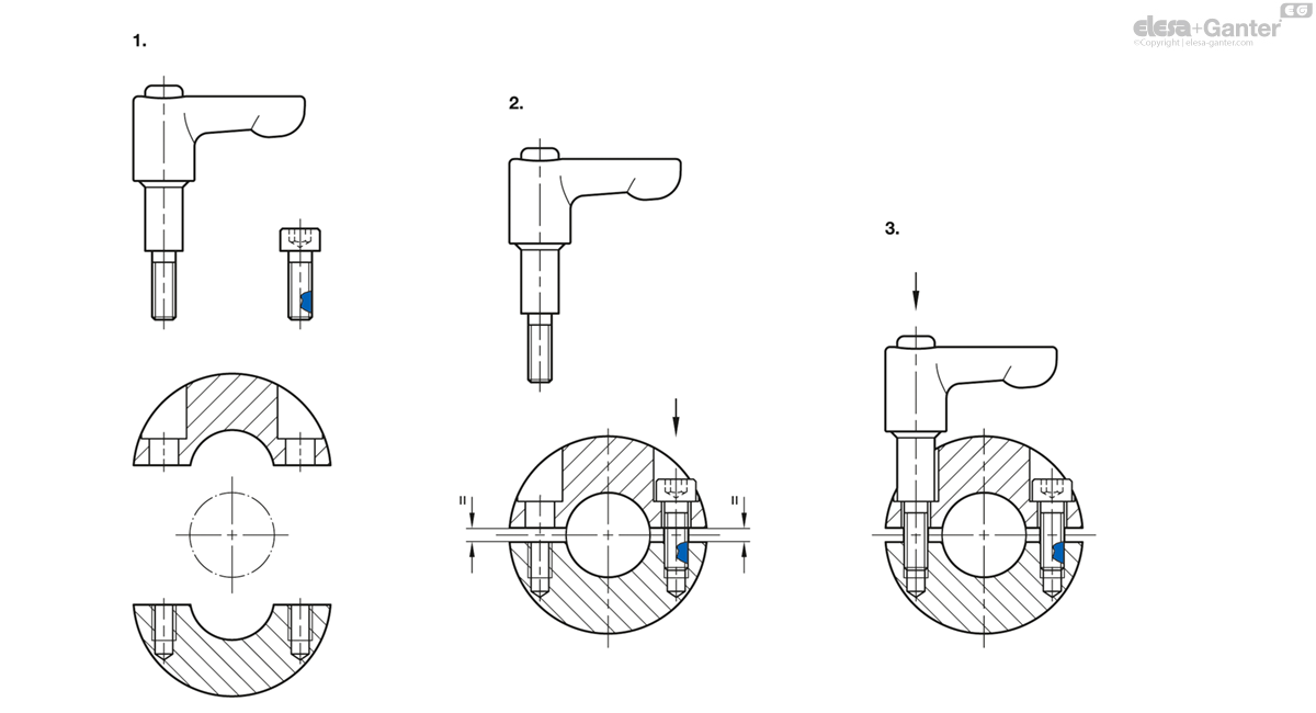
Dźwignia nastawna
Pierścienie osadcze dwuczęściowe GN 707.4 stosuje się w przypadku braku możliwości zastosowania montażu osiowego. Można je łatwo i szybko zacisnąć bez użycia narzędzi, zmniejszając wysokość szczeliny za pomocą dźwigni nastawnej. Umożliwia to na przykład stosowanie ich jako ogranicznika wymagającego częstej regulacji.
Zabezpieczenie gwintu dostarczonej śruby z łbem walcowym zapewnia utrzymanie wysokości szczeliny ustawionej podczas instalacji nawet po zluzowaniu dźwigni zaciskowej.
Wymiary pierścieni osadczych dwuczęściowych odpowiadają pierścieniom osadczym rozciętym GN 706.2 / GN 706.4. Otwór gwintowany d3 dla średnicy d1 = 16 do 36 jest otworem przelotowym, dla średnicy d1 = 42 i większej, jest otworem nieprzelotowym.
Twoje zapytanie zostało przesłane i odpowiemy na nie w najkrótszym możliwym czasie.