Elesa+Ganter poszerzyła gamę standardowych części o nowy element – precyzyjne rolki prowadzące serii GN 753.1. Nowy produkt jest przeznaczony do uniwersalnych zastosowań. Jest szczególnie polecany do projektów wymagających płynności oraz dynamiki ruchu. W porównaniu do wcześniejszych rolek z serii GN 753, ten model jest to zupełnie nowy produkt oparty na kilku ciekawych zmianach.
„Stale rozrastająca się oferta standardowych elementów maszyn Elesa+Ganter to dowód na to, że na bieżąco śledzimy potrzeby naszych klientów i jesteśmy w stanie dopasować się do ich zmieniających się wymagań. Stąd też w naszej gamie produktów często pojawiają się zupełnie nowe modele, czego przykładem są właśnie rolki serii GN 753.1” – powiedział Filip Granowski, Dyrektor Zarządzający Elesa+Ganter Polska.
Rys. 1 Rolki prowadzące GN 753.1
Nowa konstrukcja rolek GN 753.1 z tworzywa została wyposażona w specjalne łożysko kulkowe wykonane ze stali hartowanej 100Cr6 (stali łożyskowej). W porównaniu do serii GN 753 (gdzie pierścień wewnętrzny łożyska wykonany jest ze stali, a zewnętrzny z tworzywa), stal ta zapewnia wysoką wytrzymałość zarówno zmęczeniową jak i statyczną oraz wysoką odporność na ścieranie. Przy porównywalnych rozmiarach rolki GN 753.1 mają 10-krotnie większą obciążalność niż seria GN 753.
Nowa seria rolek posiada również metalowe pierścienie ochronne 2Z (rys. 2) po obu stronach łożyska, które zapewniają osłonę przed kurzem i brudem, jednocześnie zapewniając odpowiednie i trwałe smarowanie.
Rys. 2 Przekrój rolki GN 753.1
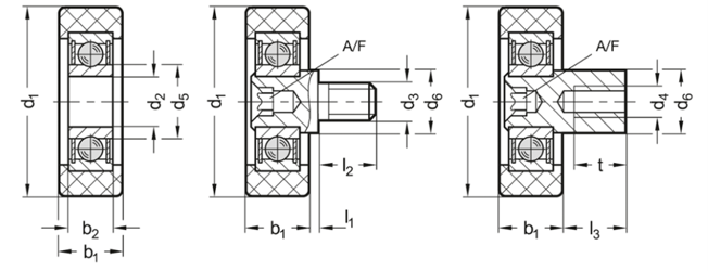
Bieżnia rolki GN 753.1 jest wykonana z poliacetalu (POM), który jest przystosowany do pracy w zakresie temperaturowym od -20°C do 100°C (rolki z serii GN 753: temperatura pracy 0°C do 40°C). Precyzyjne obrobienie każdej rolki zapewnia zachowanie wymiarów i kształtów. GN 753.1 dostępne są w dwóch wersjach (rys. 3) powierzchni tocznej ZL(płaska), KV(wypukła), co zapewnia odpowiednie prowadzenie.
Rys. 3 Rolki GN 753.1 – kształt bieżni
W porównaniu do serii GN 753 (zakres średnic 19-26 mm), nowe rolki GN 753.1 dostępne są w zakresie średnic d1 (rys. 3) od 22 do 50 mm, a ich żywotność wynosi co najmniej 200 000 m, przy zachowaniu prędkości 0,4 m/s, temperatury otoczenia pomiędzy 15°C a 30°C oraz suchej i czystej powierzchni. Mają więc 3-krotnie większą trwałość niż seria GN 753 (dla porównywalnej średnicy rolki).
Montaż rolek w zależności od wybranego wariantu (nr identyfikacyjny) można wykonać na trzy sposoby (rys. 4):
Trzpienie wykonane są ze stali ocynkowanej i wyposażone są w gniazdo pod klucz typu Torx, co zapewnia odpowiedni moment dokręcenia.

Rys. 4 Rolki GN 753.1 – sposoby montażu
Rolki prowadzące GN 753.1 mogą być wykorzystywane jako standardowe systemy prowadzenia, jak również do budowania niestandardowych systemów prowadnic liniowych. Sprawdzą się również jako łożyska oraz podpory do małych i średnich obciążeń. Należy jednak pamiętać, że ze względów konstrukcyjnych nie powinny być używane do przenoszenia obciążeń działających w osi rolki. Orientacyjne obciążenia promieniowe dynamiczne podane są w kartach katalogowych (karta GN 753.1) i tak dla przykładu najmniejsza rolka o średnicy d1 = 22 mm może przenieść obciążenie promieniowe do 400 N, natomiast największa d1 = 50 mm do 1500 N.

Rys. 5 Przykładowe zastosowania
Porównanie nowej serii GN 753.1 z serią GN 753 :

Nowa seria rolek GN 753.1 idealnie nadaje się do aplikacji, w których rolki narażone są na pracę w podwyższonych temperaturach oraz środowisku o zwiększonym zapyleniu. Zastosowanie znajdą również tam, gdzie od rolek wymaga się większej obciążalności i gabarytów.
Dla aplikacji o niedużych obciążeniach oraz ograniczonej przestrzeni i temperaturze pracy nadal idealnie sprawdzą się proste i tanie rolki z serii GN 753.
Linki do produktów:
ELESA+GANTER®
ELESA+GANTERjest spółką joint-venture, stworzoną przez dwóch liderów w branży standardowych elementów maszyn:Elesa S.p.A(Monza, Milano, Italy) iOtto Ganter GmbH & Co. KG(Furtwangen, Germany).
ELESA+GANTER®to ponad 85 000 standardowych elementów i części do maszyn i urządzeń oraz wiele produktów specjalnych wykonywanych pod określone, specyficzne wymagania klienta. Elementy standardowe Elesa+Ganter®łączą w sobie zarówno najwyższą jakość, funkcjonalność, innowacyjność, jak i dbałość o wzornictwo. Potwierdza to ponad 180 patentów i zastrzeżonych wzorów oraz ponad 50 nagród z najbardziej prestiżowych światowych wystaw i konkursów w dziedzinie wzornictwa przemysłowego m.in. „International Forum Design Award”, „Compasso d'Oro” w Mediolanie czy „Design Center” w Stuttgarcie. Wszystkie produkty E+G produkowane są zgodnie z normą ISO 9001:2008 oraz normą środowiskową ISO 14001:2004.
Światowa sieć dystrybucji produktów Elesa+Ganter obejmuje 70 krajów.
ELESA+GANTER Polska Sp. z o.o. jest częścią grupy ELESA+GANTER®i zajmuje się dystrybucją produktów rodzimej marki. Wykwalifikowana kadra i magazyn w Polsce gwarantują oprócz najwyższej jakości produktów, doradztwo techniczne u klientów, profesjonalną i szybką obsługę sprzedażową (40 000 elementów E+G dostarczane jest w systemie 24h z magazynu w Polsce).
Więcej informacji o firmie i jej ofercie, katalog produktów, tabele wymiarów, darmowe pliki 2D i 3D do pobrania, a także sklep internetowy znajdują się na stronie:www.elesa-ganter.pl.
Szczegółowe informacje o nowościach i zastosowaniach produktów E+G można także przeczytać w Magazynie dla Konstruktorów na stronieinfo.elesa-ganter.pl.