78711-R,20
78710-R,10
78712-R,50
lubGN 300-30-B5-SW;60
GN 612-5-M12x1,5-A;40
DIN 172-B10,5-20-A;50
ISO 8675-M8x1-04-BT;10
78711-R,20
78710-R,10
78712-R,50
lubGN 300-30-B5-SW;60
GN 612-5-M12x1,5-A;40
DIN 172-B10,5-20-A;50
ISO 8675-M8x1-04-BT;10
Pokrętło gwiaździste DIN 6336
Technopolimer na bazie poliamidu (PA)
Kolor czarny, wykończony na mat
Krzywka
Z blachy
Powierzchnia ocynkowana, pasywacja niebieska
Trzpień i tuleja dystansowa
Stal
Powierzchnia ocynkowana, pasywacja niebieska
Zamki GN 117 są odporne na wibracje oraz posiadają duży skok krzywki domykającej (do 10 mm). Zamknięcie następuje przez przekręcenie pokrętła trzpienia, zgodnie z ruchem wskazówek zegara.
Zaletami zamka są niskie koszty i łatwość montażu.
Przy obracaniu pokrętła zgodnie z ruchem wskazówek zegara stopniowana krzywka dociska drzwi od wewnątrz.
Duży skok krzywki (10 mm) pozwala na stosowanie zamków GN 117 na drzwiach z taśmami uszczelniającymi (uszczelniaczami). Przy doborze zakresu "Z" należy uwzględnić również grubość uszczelnienia drzwi. Sprężyna przytrzymująca krzywkę zabezpiecza przed otwarciem się drzwi poddanych wibracjom.
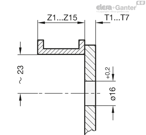
Środek otworu montażowego Ø 16 mm należy wykonać w odległości 23 mm od ramy. Trzpień obrotowy jest wkładany od przodu. Tuleję dystansową, krzywkę i sprężynę talerzykową nakłada się na trzpień od wewnątrz. Nakrętkę samokontrującą należy docisnąć tak, aby nie blokować swobodnego ruchu pokrętła.
Samohamowana nakrętka sześciokątna dokręcona jest z odpowiednim momentem, aby krzywka mogła się obracać swobodnie.
| T+Z | l maks. |
| ≤ 13.5 | 31 |
| ≤ 18 | 35.5 |
| ≤ 22.5 | 40 |
| ≤ 27 | 44.5 |
| ≤ 31.5 | 49 |
| ≤ 36 | 53.5 |
| ≤ 40.5 | 58 |
| ≤ 45 | 62.5 |
| ≤ 49.5 | 67 |
| ≤ 54 | 71.5 |
| ≤ 54 | 76 |
| ≤ 63 | 80.5 |
Twoje zapytanie zostało przesłane i odpowiemy na nie w najkrótszym możliwym czasie.