Firma Elesa+Ganter wprowadziła do oferty nowe rękojeści obrotowe o oznaczeniu IGF. Nowy produkt został wyposażony w szerokie kołnierze ochronne, które powiększono w porównaniu do poprzednich modeli i zabudowano symetrycznie na końcach rękojeści. Dzięki temu osiągnięto jeszcze lepszą dwukierunkową ochronę dłoni, nawet w ciężkiej rękawicy.
„Środowisko pracy w zakładach produkcyjnych podlega ciągłej modernizacji, wynikającej z podnoszenia poziomu bezpieczeństwa pracowników. Aby sprostać oczekiwaniom BHP, producenci maszyn stosują systemy, gwarantujące bezpieczne działanie maszyn oraz wdrażają podzespoły, eliminujące wystąpienie zagrożeń dla życia i zdrowia pracowników.
Odpowiadamy na te wymagania wprowadzając nowe produkty i udoskonalając je w taki sposób, aby osiągnąć najwyższy poziom bezpieczeństwa. Wdrożona w 2015 roku linia rękojeści IF jest tego idealnym przykładem. Na jej bazie powstała nowa, udoskonalona rękojeść obrotowa IGF.” – powiedział Filip Granowski, Dyrektor Zarządzający Elesa+Ganter Polska.
Linia rękojeści bezpiecznych IF/IFF została stworzona w odpowiedzi na konieczność ochrony dłoni operatorów przed urazami mechanicznymi. Rękojeść IGF jest wykonana ze wzmacnianego włóknami szklanymi technopolimeru na bazie poliamidu (PA).
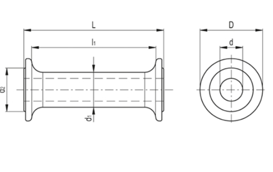
Rys. 2. Parametry wymiarowe rękojeści IGF
Montaż został oparty na otworze przelotowym pasowanym luźno. Dało to możliwości montażu bezpośrednio na pręcie lub rurze, dzięki czemu rękojeść zyskała nową funkcjonalność w postaci możliwości obrotu.
Dzięki parametrom materiałowym oraz specyficznej budowie uzyskano również dodatkowy walor, jakim jest izolacja termiczna. W kołnierzach rękojeści wprasowano tuleje, które mają bezpośredni kontakt z gorącym prętem. Dzięki takiemu rozwiązaniu, pomiędzy korpusem rękojeści, a gorącym materiałem powstaje szczelina stanowiąca izolację termiczną. Poliamid zastosowany do produkcji został dodatkowo uszlachetniony o składniki, podnoszące wytrzymałość przy wysokich temperaturach. Konstrukcja oraz materiał sprawiły, że rękojeść IGF uzyskała wyjątkową izolacyjność termiczną.
Nowe rękojeści potrafią izolować temperaturę, dochodzącą nawet do 200 ⁰C przy pracy ciągłej. Z tego powodu rekomenduje się je do środowisk, gdzie wysoka temperatura zagraża pracownikom i osobom obsługującym maszyny i urządzenia. Ergonomiczny kształt i szerokie kołnierze rękojeści zapewniają operatorowi wygodny i bezpieczny chwyt, chroniąc dłoń (od boku) przed bezpośrednim kontaktem z gorącymi elementami maszyny, np. takimi jak: uchwyty pieca itp.
Rękojeści IGF są rekomendowane do:
Rękojeść można łatwo zamontować, dzięki otworowi przelotowemu i zaadaptować do już istniejących rozwiązań, bez zbędnych przeróbek.

Rys. 3. Przykładowy sposób montażu
Podsumowując, nowe rękojeści cechują się:
Strony katalogowe prezentowanych produktów:
ELESA+GANTER®
ELESA+GANTER jest spółką joint-venture, stworzoną przez dwóch liderów w branży standardowych elementów maszyn: Elesa S.p.A (Monza, Milano, Italy) i Otto Ganter GmbH & Co. KG (Furtwangen, Germany).
ELESA+GANTER® to ponad 85 000 standardowych elementów i części do maszyn i urządzeń oraz wiele produktów specjalnych wykonywanych pod określone, specyficzne wymagania klienta. Elementy standardowe Elesa+Ganter® łączą w sobie zarówno najwyższą jakość, funkcjonalność, innowacyjność, jak i dbałość o wzornictwo. Potwierdza to ponad 180 patentów i zastrzeżonych wzorów oraz ponad 50 nagród z najbardziej prestiżowych światowych wystaw i konkursów w dziedzinie wzornictwa przemysłowego m.in. „International Forum Design Award”, „Compasso d'Oro” w Mediolanie czy „Design Center” w Stuttgarcie. Wszystkie produkty E+G produkowane są zgodnie z normą ISO 9001:2008 oraz normą środowiskową ISO 14001:2004.
Światowa sieć dystrybucji produktów Elesa+Ganter obejmuje 70 krajów.
ELESA+GANTER Polska Sp. z o.o. jest częścią grupy ELESA+GANTER® i zajmuje się dystrybucją produktów rodzimej marki. Wykwalifikowana kadra i magazyn w Polsce gwarantują oprócz najwyższej jakości produktów, doradztwo techniczne u klientów, profesjonalną i szybką obsługę sprzedażową (40 000 elementów E+G dostarczane jest w systemie 24h z magazynu w Polsce).
Więcej informacji o firmie i jej ofercie, katalog produktów, tabele wymiarów, darmowe pliki 2D i 3D do pobrania, a także sklep internetowy znajdują się na stronie: www.elesa-ganter.pl.
Szczegółowe informacje o nowościach i zastosowaniach produktów E+G można także przeczytać w Magazynie dla Konstruktorów na stronie info.elesa-ganter.pl.