SEMI to skrót od „Semiconductor Equipment and Materials International”. Jest to stowarzyszenie ponad 3000 firm z całego świata z branży technologii półprzewodników. Natomiast SEMI-S8 to zbiór wytycznych dotyczących bezpiecznej i ergonomicznej konstrukcji urządzeń oraz oprzyrządowania do produkcji półprzewodników. Norma ta uwzględnia wzajemne oddziaływanie między użytkownikiem a sprzętem w środowisku produkcyjnym.
Korzystając z powyższych wytycznych, producenci i użytkownicy urządzeń produkcyjnych, mogą współpracować i projektować sprzęt, który zminimalizuje zmęczenie i zmaksymalizuje bezpieczeństwo poprzez dopasowanie urządzeń do oczekiwanej wielkości ciała, siły i zakresu ruchu. SEMI S8 zapewnia efektywność urządzeń/narzędzi, a także wygodę, komfort i bezpieczeństwo pracowników podczas ich obsługi.
„Wychodząc naprzeciw oczekiwaniom klientów i rynku wprowadziliśmy do oferty nowy uchwyt M.453-SEMI-S8, który został zaprojektowany zgodnie z wytycznymi zawartymi w SEMI-S8. Uchwyty zgodne z tą normą muszą być ergonomiczne i bezpieczne, a wszystko po to, by zminimalizować ryzyko podczas pracy oraz wysiłek operatora w przypadku częstych operacji.” – powiedział Filip Granowski, Dyrektor Zarządzający Elesa+Ganter Polska.

Rys. 1 M.453-SEMI-S8
W normie SEMI-S8 jest informacja, że wszystkie elementy obsługowe, z których korzysta pracownik, takie jak uchwyty, muszą mieć:
Natomiast jeżeli chodzi o szczegóły, w normie SEMI-S8 znajduje się rozdział poświęcony konstrukcji uchwytów, w którym szczegółowo opisano geometrię w zależności od typu uchwytu.
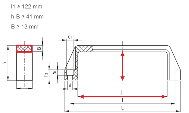
Uchwyty mostkowe (takie jak M.453-SEMI-S8) powinny cechować się wysokim stopniem ergonomii, ponieważ muszą zagwarantować wygodny i mocny chwyt szczególnie, gdy operator ma na dłoniach rękawiczki. Z tego powodu istnieją dokładne wskazania dotyczące wymiarów części chwytnej. Na przykład (rys. 2):

Rys. 2 Szczegółowe wytyczne odnośnie uchwytów zgodnie z SEMI-S8
W uchwycie M.453-SEMI-S8 prześwit na rękę operatora ma szerokość 126 mm i wysokość 41,5 mm. Natomiast grubość części chwytnej wynosi 13 mm, więc wszystkie warunki są spełnione.
Ponieważ w SEMI-S8 nie ma szczególnych ograniczeń co do materiałów, firma ELESA+GANTER zdecydowała się wybrać poliamid wzmocniony włóknem szklanym, zapewniający najwyższą wytrzymałość mechaniczną (w zależności od płaszczyzny działania, maksymalne obciążenia robocze wynoszą 3500 N i 4900 N).
Reasumując, jeżeli budujesz, projektujesz, modernizujesz urządzenia lub oprzyrządowanie okołoprodukcyjne dla branży półprzewodników, to uchwyt M.453-SEMI-S8 będzie bardzo dobrym wyborem. Sprawdzi się też wszędzie tam, gdzie będzie nam szczególnie zależeć na wygodzie i ergonomii obsługi, również przy pracy w rękawicach.
Karta katalogowa:
M.453-SEMI-S8 – uchwyt zgodny z SEMI-S8.
Redakcja: Elesa+Ganter Polska
Informacje o pełnej ofercie produktowej znajdują się w katalogu:
Katalog podstawowy 048 (wersja polskojęzyczna)
lub na stronie: www.elesa-ganter.pl
Jeśli nie posiadasz katalogu – zamów!
Kontakt:
Centrala: +48 22 737 70 47
Pomoc techniczna: +48 609 914 500