Firma Elesa+Ganter rozszerzyła grupę produktową Elementy Maszyn o nierdzewne pierścienie pozycjonujące serii GN 187.5 (Rys.1) oraz dedykowane do nich zestawy zaciskowe GN 187.6. Nowe pierścienie przeznaczone są do kątowego pozycjonowania dwóch współpracujących elementów, natomiast zestaw blokujący to dodatkowy element umożliwiający szybkie przestawianie mechanizmu.

Rys.1. GN 187.5 – Nierdzewne pierścienie pozycjonujące
Pierścienie pozycjonujące GN 187.5 zostały wykonane jako precyzyjny odlew ze stali nierdzewnej AISI CF-8. Dodatkowo poddane są procesowi piaskowania, dzięki czemu uzyskano idealnie gładką powierzchnię bez jakichkolwiek ostrych krawędzi.
Pierścienie pozycjonujące są dostępne w trzech rozmiarach średnicy zewnętrznej: 27 mm, 32 mm oraz 40 mm. Na powierzchni roboczej każdego z nich znajduje się zazębienie (48 lub 60 zębów dla każdej średnicy).
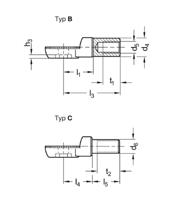
Biorąc pod uwagę sposób montażu pierścieni, dostępne są następujące warianty wykonania (Rys. 2):


Rys.2. Pierścienie GN 187.5 – standardowe wykonania
Duża liczba dostępnych wariantów wykonania oraz kompatybilności z pierścieniami wcześniej wprowadzonej serii GN 187.4, pozwala na stworzenie przegubowego zestawu pozycjonującego, idealnie dopasowanego do aplikacji. Przy doborze należy jednak pamiętać, że połączyć ze sobą można jedynie pierścienie o tym samym wymiarze nominalnym d1, posiadające tę samą ilość zębów.
Dodatkowym elementem umożliwiającym łączenie pierścieni pozycjonujących jest zestaw zaciskowy GN 187.6 (Rys. 3). Zestaw składa się z gwintowanej tulei centrującej, podkładki oraz do wyboru: rękojeści nastawnej Typ K lub śruby z łbem walcowym DIN 912 Typ S.

Rys.3. Zestaw zaciskowy GN 187.6
Istotnym detalem całego zestawu jest gwintowana tuleja centrująca, która dzięki sześciokątnemu kołnierzowi tworzy połączenie kształtowe z jednym z pierścieni pozycjonujących. Zapobiega to jej obracaniu i ułatwia montaż. W stanie odblokowanym połączenia tworzy oś obrotu dla obu pierścieni.
Dla ułatwienia rozłączenia pierścieni po ich zluzowaniu można zastosować specjalną sprężynę nierdzewną GN 187.2. Należy pamiętać, że zarówno sprężyna jak i zestaw zaciskowy to dodatkowe akcesoria przegubowego zestawu pozycjonującego stanowiące rozszerzenie oferty firmy Elesa+Ganter (akcesoria zamawiane osobno w zależności od potrzeb).
Nierdzewne pierścienie pozycjonujące GN 187.5 służą do kątowego pozycjonowania dwóch współpracujących elementów za pomocą połączenia kształtowego (Rys. 4).


Rys. 4. GN 187.5 – Nierdzewne pierścienie pozycjonujące - przykłady zastosowania
Ze względu na użyte materiały, nowe pierścienie pozycjonujące sprawdzą się idealnie w aplikacjach wymagających dużej odporności na korozję. Dzięki ich zastosowaniu użytkownik może w łatwy, szybki i precyzyjny sposób ustalić odpowiednią pozycję dźwigni w urządzeniach sterujących. Można je również zastosować do regulacji ramion wsporników np. w specjalistycznych stołach operacyjnych lub w sprzęcie rehabilitacyjnym (patrz rysunek 4). Idealnie sprawdzą się wszędzie tam, gdzie chcemy w trudnych warunkach przenosić wysokie obciążenia i pewnie pozycjonować.
Linki do stron katalogowych opisywanych produktów znajdują się poniżej:
ELESA+GANTER®
ELESA+GANTER jest spółką joint-venture, stworzoną przez dwóch liderów w branży standardowych elementów maszyn: Elesa S.p.A (Monza, Milano, Italy) i Otto Ganter GmbH & Co. KG (Furtwangen, Germany).
ELESA+GANTER® to ponad 60 000 standardowych elementów i części do maszyn i urządzeń oraz wiele produktów specjalnych wykonywanych pod określone, specyficzne wymagania klienta. Elementy standardowe Elesa+Ganter® łączą w sobie zarówno najwyższą jakość, funkcjonalność, innowacyjność, jak i dbałość o wzornictwo. Potwierdza to ponad 180 patentów i zastrzeżonych wzorów oraz ponad 45 nagród z najbardziej prestiżowych światowych wystaw i konkursów w dziedzinie wzornictwa przemysłowego m.in. „International Forum Design Award”, „Compasso d'Oro” w Mediolanie czy „Design Center” w Stutgarcie. Wszystkie produkty E+G produkowane są zgodnie z normą ISO 9001:2008 oraz normą środowiskową ISO 14001:2004.
Światowa sieć dystrybucji produktów Elesa+Ganter obejmuje 70 krajów.
ELESA+GANTER Polska Sp. z o.o. jest częścią grupy ELESA+GANTER® i zajmuje się dystrybucją produktów rodzimej marki. Wykwalifikowana kadra i magazyn w Polsce gwarantują oprócz najwyższej jakości produktów, doradztwo techniczne u klientów, profesjonalną i szybką obsługę sprzedażową (20 000 elementów E+G dostarczane jest w systemie 24h z magazynu w Polsce).
Więcej informacji o firmie i jej ofercie, katalog produktów, tabele wymiarów, darmowe pliki 2D i 3D do pobrania, znajdują się na stronie: www.elesa-ganter.pl.
Szczegółowe informacje o nowościach i zastosowaniach produktów E+G można także przeczytać w newsletterze dostępnym na stronie: www.elesa-ganter.info.pl