Elesa+Ganter jako renomowany producent komponentów do maszyn, urządzeń i systemów montażowych oferuje szeroką gamę produktów, wyróżniających się wysoką jakością, starannością wykonania oraz niezawodnością. Wśród oferowanych elementów istotne miejsce zajmują kołki walcowe oraz tuleje pozycjonujące, stanowiące niezbędny element w aplikacjach przemysłowych. W tym artykule przyjrzymy się szczegółowo kołkom walcowym DIN 6325, DIN 7979 oraz tulejom pozycjonującym DIN 172 i DIN 179, które można znaleźć w ofercie Elesa+Ganter.
„Kołki walcowe DIN 6325, DIN 7979 oraz tuleje pozycjonujące DIN 172 i DIN 179 to niezawodne elementy, które zapewniają precyzję, trwałość i jakość na wysokim poziomie w wielu zastosowaniach przemysłowych. Dzięki różnorodności rozmiarów i materiałów, produkty te doskonale sprawdzają się w szerokim zakresie aplikacji – od produkcji maszyn po systemy montażowe.” – mówi Filip Granowski, Dyrektor Zarządzający Elesa+Ganter Polska.

Rys. 1. Kołki walcowe DIN 6325, DIN 7979 i tulejki pozycjonujące DIN 172, DIN 179.
Kołki walcowe DIN 6325
Kołki walcowe DIN 6325 są wykonane ze stali węglowej i hartowane do twardości
60 ± 2 HRC. Ich powierzchnia walcowa jest szlifowana w tolerancji m6 i pozostaje bez pokrycia.

Rys. 2. Rysunek ogólny kołka walcowego DIN 6325.
Kołki walcowe DIN 6325 pozwalają na tworzenie połączeń rozłącznych dwóch elementów, w których wykonane są otwory przelotowe. Tolerancja średnicy kołka umożliwia mocowanie go na wcisk w otworach o standardowej tolerancji H7. Kołki te znajdują szerokie zastosowanie w przyrządach montażowych, maszynach i różnego typu urządzeniach. Stosuje się je wszędzie tam, gdzie wymagane jest precyzyjne i wzajemne pozycjonowanie elementów. Kołki walcowe pozwalają przenosić duże siły ścinające, a ich najprostsze zastosowania to ograniczniki pozycji czy osie obrotu innych elementów. Kołki walcowe DIN 6325 z oferty Elesa+Ganter są dostępne we wszystkich typowych wymiarach spotykanych na rynku. Na życzenie Klienta możliwe jest wykonanie kołków ze stali nierdzewnej.
Kołki walcowe DIN 7979
Kołki walcowe DIN 7979 (analogicznie do DIN 6325) są wykonane ze stali węglowej i hartowane do twardości 60 ± 2 HRC. Ich powierzchnia walcowa jest szlifowana w tolerancji m6 i pozostaje bez pokrycia. Bardzo istotną różnicą w stosunku do kołków DIN 6325 jest fakt, że kołki walcowe DIN 7979 posiadają osiowy otwór gwintowany od strony czołowej.

Rys. 3. Rysunek ogólny kołka walcowego DIN 7979.
Kołki walcowe DIN 7979 pozwalają na tworzenie połączeń rozłącznych dwóch elementów, przy czym w jednym elemencie otwór jest przelotowy, a w drugim nieprzelotowy. Montaż tych kołków w otworach nieprzelotowych jest możliwy, dzięki temu, że powietrze może wydostać się z otworu poprzez spłaszczenie na całej długości powierzchni walcowej kołka. Z kolei wewnętrzny otwór gwintowany d2 pozwala na użycie ściągacza i wyjęcie kołka, co stanowi dużą zaletę, ponieważ wybicie go z drugiej strony nie jest możliwe. Pogłębienie walcowe d3 na głębokość l4 (Rys. 3) zapobiega uszkodzeniu gwintu podczas montażu kołka w otworze.
Wymiary kołków DIN 7979 odpowiadają normie ISO 8735. Elesa+Ganter oferuje wszystkie typowe wymiary spotykane na rynku. Dla tych kołków możliwe jest również na życzenie Klienta specjalne wykonanie ze stali nierdzewnej.
Tuleje pozycjonujące DIN 172 i DIN 179
Tuleje pozycjonujące DIN 172 i DIN 179, mimo że są znane jako tuleje wiertarskie ze względu na pierwotne zastosowanie, często montuje się w otworach, od których wymaga się dużej odporności na ścieranie. Tuleje znajdują zastosowanie w procesach produkcyjnych, w których jest wymagane precyzyjne ustawienie w stałych pozycjach elementów współpracujących, na przykład w produkcji maszyn, w obróbce metali, a także w systemach montażowych, w oprzyrządowaniu.

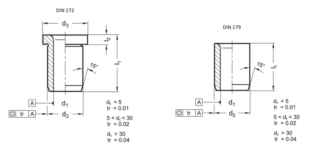
Rys. 4. Rysunek ogólny tulei pozycjonujących DIN 172 i DIN 179.
Tuleja DIN 172 posiada kołnierz, z kolei tuleja DIN 179 jest produkowana bez kołnierza. W ofercie Elesa+Ganter można znaleźć tuleje według obydwu norm wykonane ze stali węglowej i hartowane do twardości 60 ± 2 HRC oraz w wykonaniu ze stali nierdzewnej AISI 440B NI, hartowane do twardości 50 + 4 HRC. Tuleje są wykonane według norm typu A, co oznacza, że otwór d1 jest jednostronnie sfazowany. Można to zauważyć na powyższych rysunkach. Elesa+Ganter na życzenie Klienta może wykonać tuleje typu B, czyli z otworem d1 sfazowanym z dwóch stron. Obie normy definiują, że powierzchnie robocze d1 oraz d2 są szlifowane, odpowiednio średnica d1 szlifowana jest w tolerancji F7, natomiast średnica d2 w tolerancji n6. Tolerancja średnicy zewnętrznej n6 umożliwia ciasne pasowanie tulei w otworach o standardowej tolerancji H7. Natomiast tolerancja F7 średnicy wewnętrznej umożliwia precyzyjną suwliwą współpracę z wyżej opisywanymi kołkami pozycjonującymi DIN 6325 i DIN 7979 o tolerancji średnicy zewnętrznej m6.Precyzja i dokładność wykonania tulei jest bardzo ważna, ponieważ tolerowane są nie tylko wymiary średnic, ale również tolerancji podlega współosiowość osi otworu tulei względem osi samej tulei. Spośród około dwustu średnic i czternastu długości w ofercie dostępny jest szeroki zakres średnic, co 0,1 mm. Natomiast jeśli Klient potrzebuje do swojego projektu inny rozmiar tulei, niż te dostępne w katalogu wtedy Elesa+Ganter może szybko i ekonomicznie wyprodukować potrzebny rozmiar.
Wspólne zastosowanie
Kołki walcowe i tuleje pozycjonujące są często stosowane razem. W wielu maszynach i urządzeniach, takich jak: maszyny montażowe, obrabiarki, urządzenia transportowe czy w oprzyrządowaniu, kołki walcowe mogą być używane do szybkiego, trwałego i dokładnego montażu części. Z kolei tuleje pozycjonujące stosuje się do utrzymania tych części w odpowiedniej pozycji, zapewniając precyzję i stabilność układu.
Linki do stron oraz kart katalogowych ze szczegółowymi danymi technicznymi znajdują się poniżej:
Redakcja: Elesa+Ganter Polska
Informacje o pełnej ofercie ELESA + GANTER znajdują się na stronie:
Jeśli nie posiadasz katalogu w wersji papierowej – zamów
Kontakt:
Centrala: +48 22 737 70 47
Pomoc techniczna: +48 885 020 800